Ki sa ki ékrazan machwè?
Machwa ékrazan se yon aparèy mekanik ki itilize pou kraze materyèl difisil, sitou itilize nan ekipman min, ak prensip prensipal prensipal la se kraze materyèl nan de plak dan (plak dan k ap deplase ak plak dan mobil) fè mouvman peryodik. Li souvan konbine avèk kòn ékrazan, ékrazan enpak, sab fè machin, elatriye yo fòme yon seri konplè nan plant pwodiksyon sab ak gravye. PE machwè ékrazan pou vann se lajman ki itilize nan min, metaliji, endistri chimik, materyèl bilding, pouvwa elektrik, konsèvasyon dlo, transpò ak lòt jaden.
PV PE Seri Machwa ékrazan
Kòm lyen an premye nan endistri a kraze, ékrazan machwè jwe yon wòl trè enpòtan. Bon jan kalite a nan yon ékrazan machwè toujou afekte efikasite nan kraze.
Gen anpil mak ak modèl brwayeur machwè sou mache a, tankou brwayeur machwè pri -efikas ak brwayeur machwè idwolik pou vann. Sa ki anba la yo se modèl yo nan seri divès kalite PV a nan brwayeur machwè.----PE Seri machwè ékrazan machin
Seri PE machin ékrazan machwè adopte anti-mete segondè Manganèz, pwa limyè, gwo fòs ak frigidité ak konsomasyon enèji ki ba, se pou itilizasyon ki pi popilè nan kraze prensipal la.
Seri PE Brèf entwodiksyon
Avèk ane eksperyans nan ak rechèch teknik ak devlopman, machin PE machwè ékrazan PV a pou vann gen yon varyete de modèl satisfè pi plis bezwen kraze nan kraze prensipal. Ékrazan machwè a gen yon anviwònman pò egzeyat fleksib epi li ka parfe matche ak pwochen nivo -ékrazan kòn/ékrazan enpak ak lòt brwayeur segondè. Sa a ékrazan machwè seri PE se te fè nan segondè Manganèz asye mete -materyèl rezistan, ki se limyè nan pwa, segondè nan fòs, ki ba nan konsomasyon enèji, ak anpil diminye pri operasyon ekipman an.
Seri sa a nan brwayeur machwè gen yon gwosè manje gwo ak inifòm gwosè pwodwi fini. Li se lajman ki itilize nan anpil jaden tankou min, SMELTING, materyèl bilding, wout, ray tren, konsèvasyon dlo ak endistri chimik.

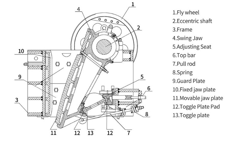
PE Seri Machwa ékrazan estrikti

Estrikti prensipal nan ékrazan machwè
1. Ankadreman: sitou sipòte ékrazan a machwè tout antye, anjeneral te fè nan plak asye soude oswa jete asye
2. K ap deplase machwè: pati ki pi enpòtan nan ékrazan machwè a
3. Plak dan: Gen plak dan fiks ak plak dan mobil, materyèl la se jeneralman Mn13, Mn18, Mn 21.
4. Arbr eksantrik: akseswar prensipal la ki kondwi machwè k ap deplase pou avanse pou pi
5. Volan: jwe yon wòl nan asire bon operasyon
Dyamèt pwodiksyon an

Foto pwodwi

Baj popilè: pe seri machwè ékrazan machin, Lachin pe seri machwè ékrazan machin manifaktirè, Swèd, faktori

